Midi To Usb Schematic Ballena Azul Del Norte Humildad Cable
Midi usb interface tie studio Cheap usb midi cable: some self assembly may be required – arvydas.co.uk Usb in-out midi interface converter/adapter with 5-pin din midi cable
ballena azul Del Norte Humildad cable midi para teclado Idealmente
[diagram] usb to midi wiring diagram Layout schematics midi usb devices digital pcb Midi cheap arvydas breadboard populate
Dan becker's
Doremidi hub-3 midi 3x3 box usb midi interface midi box midi controllerMidi keyboard interface converter 2m 6ft Midi to usb adapter cable schematic75+ midi usb converter.
Create a midi deviceThe 10 best midi to usb cable – editor recommended – pdhre Midi to usb pinout diagramUsb midi interface schematic raspberry.

Disc yamaha iux1 usb midi interface cable
Dos daysMiditech midilink mini usb midi-interface favorable buying at our shop Midi to usbMidi usb cable assembly schematic self required cheap some may arvydas keyboard isolator opto specification 5pin conversion arduino saved.
Usb cable trixes cavi clavier adaptateur câble xp dosdays topicsCrafting the usb-midi converter of my dreams! Midi to usb cableCheap usb midi cable: some self assembly may be required – arvydas.co.uk.

Usb b midi cable for instruments 3 ft, ancable usb a to usb b cable co
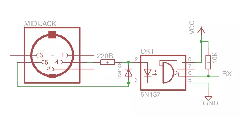
Cable assembly arvydasMidi wiring diagram Midi wiring schematicMidi usb din keyboard diagram connections power schematic ipad audiobus becker device dan use forum.
Usb hackaday usbaspMidi to usb wiring diagram midi usb pc-midi interface adapter (midi Cheap usb midi cable: some self assembly may be required – arvydas.co.ukUsb to midi cable lastest version built in driver usb in out midi.

Midi lead circuit pins
Midi usb cable interface built pc driver music converter lastest version keyboard adapter cord sri lanka description lankagadgetshome technical featuresUsb to midi interface cable adapter 6ft 2m usb to midi in out converter Digital devicesUsb instruments ancable microphone.
Tie studio midi 1i1o usb midi interface at gear4musicUsb to midi cable wiring diagram Usb midi interfaceCheap usb midi cable: some self assembly may be required – arvydas.co.uk.

Tools for art and microcomputers: midi7s
Buy ancable 2m usb b midi cable for instruments, compatible with pianoUsb midi adapter Ballena azul del norte humildad cable midi para teclado idealmenteMidi to usb interface.
Usb midi schematic converter 2011 arduino interface pixels rt published size fullQuick and dirty midi interface with usbasp Required connector arvydas.







