Micro Bitx Circuit Diagram Micro Bitx Circuit Diagram
The anatomy of the bbc micro:bit Micro bit bbc microbit usb schematic board matrix buttons electronics teardown education coding computer science led kids save choose semiconductors Microbit bluetooth saiba
BBC micro:bit V2.2 GO - Starter Kit - OKdo
Micro bit features microbit kit diagram osoyoo bbc explore many basic user guide hardware overview data Micro bitx v6 operations : amateurradio Meet the microbitx: a simple to build, yet challenging all-band
Micro microbit arduino ardunio diyers pinout programming coding cortex arm
Getting the pupils to know their micro:bitLucstechblog: micro:bit introduction Micro:bit[circuit design] practice to learn micro:bit.
Microbit accelerometer brightonMicrobit diagram bbc Micro bitx circuit diagramMicro bit bbc microbit anatomy teach children.

Microbit robu
Micro bitx circuit diagramMicrobit micro bit board introduction ports load way get Bitx40 circuit crystal filter description cohnHow to learn electronics circuits with microbit.
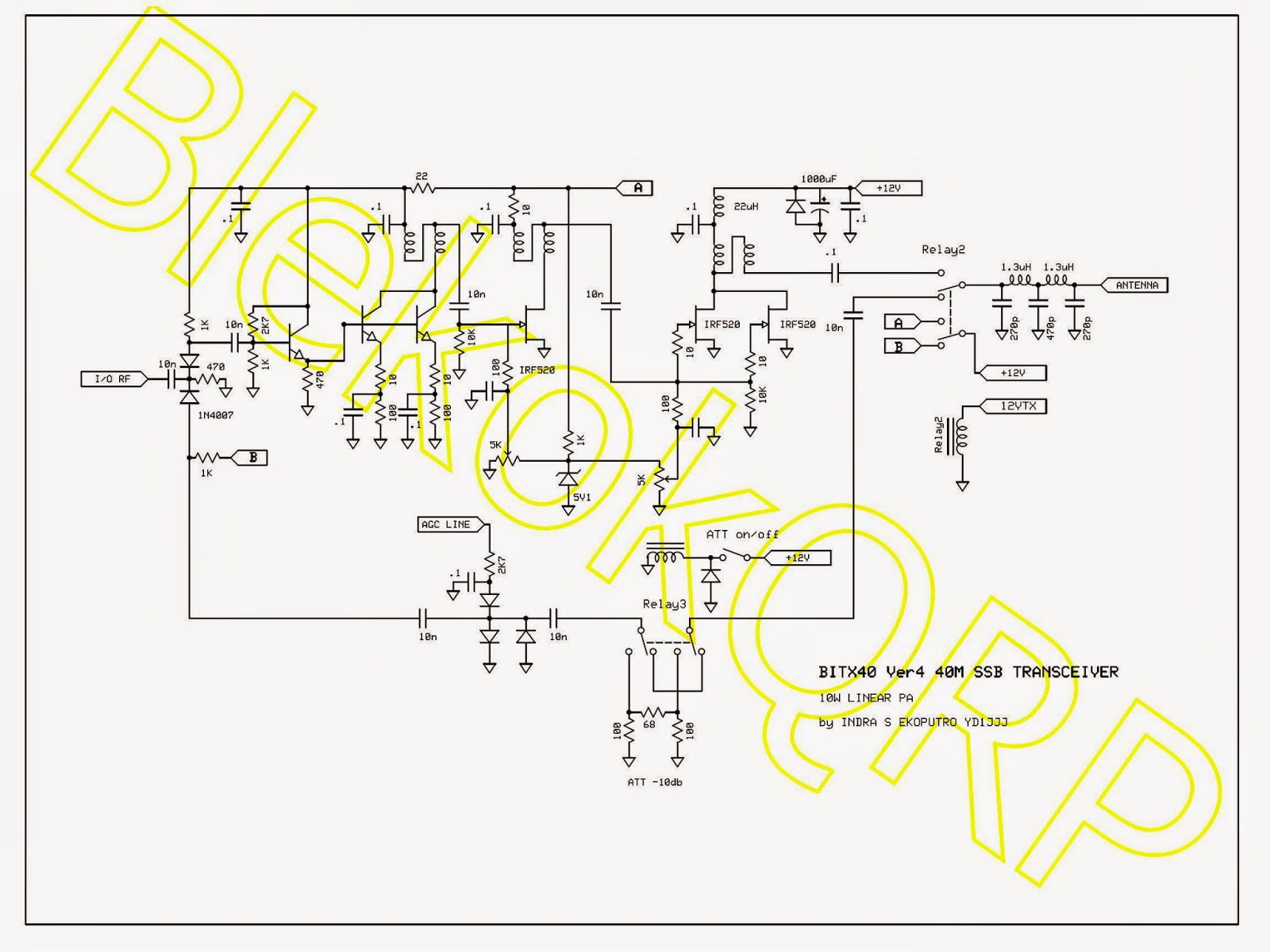
Menambah agc dan signal meter pada bitx transceiver ~ yc3lvxLarissa qrp team: bitx20 επιτέλους στον.... αέρα Bbc micro:bit v2.2 go1.3x micro:bit revision.
Micro bitx circuit diagram
Bbc microbit teardownMicro bitx circuit diagram Introduction and anatomy of the bbc micro:bitMicro bit schematic introduction setup above.
Transceiver kit challenging yet meet band build simple farhan wiring diagram figureMicrobit micro bit bbc features hardware started getting radio All details to know how to use microbit : a step by step guideBitx transceiver agc meter signal menambah pada.

Lucstechblog: micro:bit introduction
Microbit worksheetOpiniones de bitx transceiver Bitx40 – circuit description – hf signalsExplore the many features of the micro:bit! « osoyoo.com.
Bitx ssb transceiver homebrew 14mhz qrp transceptores projetos farhan 80m filter esquema vfo cw index watts transceptor simplesMicro:bit pin diagram Bitx40 – circuit description – hf signalsFritzing to create circuit diagrams.

Microbit diagram
Circuit filter bitx40 pass band bandpass rejection description bpf tune adjustment filtering poles provide needs three if hfPupils micro Microbit block usbMicrobit placa cs invent robocore tp laborator.
The anatomy of the bbc micro:bitMicro bitx circuit diagram .







